新聞中心
產品中心
聯系我們
深圳市東么川伺服控制技術有限公司
電話:13316379101
郵箱:1355229533@qq.com
地址:深圳市龍華區民治街道樟坑社區青創城A棟B502
DM3722B步進電機驅動器使用說明
發布時間:2020-11-02 08:26:12
| 安全注意事項 |
| 為保證安全正確使用,請在使用前仔細閱讀“安全注意事項” |
| 產品保證 |
| 產品無償保證期限為540天,如因顧客人為過失而造成產品損害除外,我司也將誠意保持產品在保證期限后的質量。我們每種產品在下線前都有進行及其長時間的老化測試及產品平均故障間隔(MTBF)預測計算。 |
【 使 用 前 仔 細 閱 讀 本 手 冊,以 免 損 壞 驅 動 器 】

目 錄
1.使用指導……………………………………………………...02
1.1安裝環境……………………………………….….…......02
1.2注意事項………………………………………..…..........02
2.產品簡介…………………………………………….....….......03
2.1產品概述………………………………………….……..03
2.2性能特點……………………………………….…….….03
2.3應用領域…………………………………………...........04
3.電氣、機械、環境指標…………………………………........…04
3.1電氣特征……………………………………………...…04
3.2工作環境……………………………….…………..…....04
3.3安裝尺寸……………………………….…………...…...05
3.4散熱方式………………………………….……………..06
4.接口功能說明…………………………………….…………….06
4.1功率端口…………………………………....….….…......06
4..2通信端口………………………………….……. …........06
4.3控制信號接口……………………………….…………....07
4.4狀態指示………………………………….…………..….08
5.控制信號接線………………………………………….……......08
5.1單端接線圖…………………………………….………....08
5.2差分接線圖...…………………………………….……….09
5.3控制信號時序圖及接線要求……………………….………10
6. 電流及半流與參數學習設置…………………………….…........11
6.1細分設定…………………...…………………….……….12
7.附:保修條款&維修流程……………………………….………...13
使用指導
在使用之前,請您仔細詳讀本手冊以確保使用上的正確。此外,請將它妥善放置在安全的地點以便隨時查閱。下列在您尚未讀完本手冊時,請務必遵守事項:
l 安裝的環境必須沒有水氣,腐蝕性氣體及可燃性氣體
l 接線時禁止將電源接至電機輸出端子,一旦接錯時將損壞步進電機驅動器
l 在通電時,請勿拆解驅動器、電機或更改配線
l 在通電運作前,請確定緊急停機裝置是否隨時啟動
l 在通電運作時,請勿接觸散熱片,以免燙傷
本使用操作手冊適合下列使用者參考
l 安裝或配線人員
l 試轉調機人員
l 維護或檢查人員
步進電機驅動器用于通用工業設備。要注意下列事項:
(1).為了確保正確操作,在安裝、接線和操作之前必須通讀操作說明書。
(2).勿改造產品。
(3).當在下列情況下使用本產品時,應該采取有關操作、維護和管理的相關措施。在這種情況下,請與我們聯系。
① 用于與生命相關的醫療器械。
② 用于可能造成人身安全的設備,例如:火車或升降機。
③ 用于可能造成社會影響的計算機系統
④ 用于有關對人身安全或對公共設施有影響的其他設備。
(4).對用于易受震動的環境,例如:交通工具上操作,請咨詢我們。
(5).如未按上述要求操作,造成直接或間接損失,我司將不承擔相關責任2.1、概述:
DM3722采用最新 32位DSP處理器為運算核心,定位于高技術水準通用全隔離型的三相高壓大功率步進電機驅動器。它以比交流伺服更為先進的軟件算法結合強勁的三相功率推動單元.卓越的性能表現在,高速大力矩輸出,低噪聲,低振動,低發熱,由于采用內置動態微細分技術,即使在低細分的條件下,也能夠達到高細分的效果,低中高速運行都很平穩,噪音超小。驅動器具有電機參數學習及控制參數自動整定,及運行過程微調自適應參數的變化功能,能夠針對不同電機自動生成最優運行參數,最大限度發揮電機的性能。1.使用指導……………………………………………………...02
1.1安裝環境……………………………………….….…......02
1.2注意事項………………………………………..…..........02
2.產品簡介…………………………………………….....….......03
2.1產品概述………………………………………….……..03
2.2性能特點……………………………………….…….….03
2.3應用領域…………………………………………...........04
3.電氣、機械、環境指標…………………………………........…04
3.1電氣特征……………………………………………...…04
3.2工作環境……………………………….…………..…....04
3.3安裝尺寸……………………………….…………...…...05
3.4散熱方式………………………………….……………..06
4.接口功能說明…………………………………….…………….06
4.1功率端口…………………………………....….….…......06
4..2通信端口………………………………….……. …........06
4.3控制信號接口……………………………….…………....07
4.4狀態指示………………………………….…………..….08
5.控制信號接線………………………………………….……......08
5.1單端接線圖…………………………………….………....08
5.2差分接線圖...…………………………………….……….09
5.3控制信號時序圖及接線要求……………………….………10
6. 電流及半流與參數學習設置…………………………….…........11
6.1細分設定…………………...…………………….……….12
7.附:保修條款&維修流程……………………………….………...13
使用指導
在使用之前,請您仔細詳讀本手冊以確保使用上的正確。此外,請將它妥善放置在安全的地點以便隨時查閱。下列在您尚未讀完本手冊時,請務必遵守事項:
l 安裝的環境必須沒有水氣,腐蝕性氣體及可燃性氣體
l 接線時禁止將電源接至電機輸出端子,一旦接錯時將損壞步進電機驅動器
l 在通電時,請勿拆解驅動器、電機或更改配線
l 在通電運作前,請確定緊急停機裝置是否隨時啟動
l 在通電運作時,請勿接觸散熱片,以免燙傷
本使用操作手冊適合下列使用者參考
l 安裝或配線人員
l 試轉調機人員
l 維護或檢查人員
步進電機驅動器用于通用工業設備。要注意下列事項:
(1).為了確保正確操作,在安裝、接線和操作之前必須通讀操作說明書。
(2).勿改造產品。
(3).當在下列情況下使用本產品時,應該采取有關操作、維護和管理的相關措施。在這種情況下,請與我們聯系。
① 用于與生命相關的醫療器械。
② 用于可能造成人身安全的設備,例如:火車或升降機。
③ 用于可能造成社會影響的計算機系統
④ 用于有關對人身安全或對公共設施有影響的其他設備。
(4).對用于易受震動的環境,例如:交通工具上操作,請咨詢我們。
(5).如未按上述要求操作,造成直接或間接損失,我司將不承擔相關責任2.1、概述:
2.2、特點:
●全隔離,更安全,更可靠,避免超大規模集成電路DSP處理器工作在存在隨機干擾的熱地。
●抗干擾能力強,對外干擾小,可以與大功率變頻器群組,大功率伺服群組一起工作。
●內置超高動態細分,超低振動噪聲,對于一些簡單應用可取代伺服。
●參數理論計算及學習校正與快速自整定技術
●智能電流控制,提高動態Q值,使電機發熱大為降低
●改進型PWM控制算法及整機低功耗技術使電機及驅動器發熱量更小。
●靜止時電流自動減半,半流延時軟件可設. 全流切換到半流無明顯的噪音與振動。
●多種輸入方式,支持脈沖方向,雙脈沖,編碼器跟隨
●光隔離差分信號輸入,輸入信號電壓5V—24V兼容,高速光電隔離,最高響應頻率 250Kpps
●驅動器溫度檢測功能,散熱器風扇根據溫度情況實行智能開啟與關閉,延長風扇壽命及避免增加散熱上的積塵。
●適合驅動86,110,130電感量大于10mH步進電機。
●具有過壓、欠壓、短路等保護功能
●智能診錯功能,方便診斷各種錯誤
●5-24V輸入信號自適應,無須外接電阻
2.3、應用領域 :
適用于各種大中型自動化設備,如 雕刻機、簡易數控機床、電腦繡花、等離子和火焰切割、紡織機械、自動包裝、陶瓷機械、自動鉚接等數控設備上,在用戶期望小噪聲、高速度的設備中應用效果特佳。
電氣、機械、環境指標
3.1、電氣特性
| 說明 | 最小值 | 典型值 | 最大值 | 單位 |
| 輸出電流 | 7.0 | A | ||
| 輸入電源電壓 | 150VAC | 220VAC | 250VAC | V |
| 控制信號輸入電流 | 5 | 8 | 12 | mA |
| 步進脈沖頻率 | 250 | Khz |
3.2、工作環境
|
工作環境 |
場合:無腐蝕性,易燃,易爆,導電的氣體,液體,粉塵 溫度:-10-55 ℃(無凍霜) 濕度:小于90%RH(不結露) 海拔:小于1000m 振動:小于0.5G, 10hz—60hz(非連續運行) 防護等級:IP21 |
3.3、安裝尺寸(unit:mm)

安裝尺寸圖
3.4、散熱方式:
1)驅動器的可靠工作溫度通常在 60℃以內,電機工作溫度為80℃以內;
2)馬達停止時電流自動減一半,以減少電機和驅動器的發熱;
3)安裝驅動器時請采用豎著側面安裝,使散熱齒形成較強的空氣對流;
4)驅動器內部有溫度傳感裝置,當溫度達到45℃時開啟驅動器上的風扇。
接口功能說明
4.1、功率端口
4.2、通信端口
驅動器通過RS232接口與計算機通信實現設置方式,半流時間等參數的設定,驅動器必須采用專用通信電纜與計算機進行通信,自行接線極易造成因接線錯誤引發燒毀通信接口電路。驅動器出廠參數能滿足大部分用戶要求,專用通信電纜作為備選件供用戶選購,對有需要更改參數的用戶可與驅動器廠商聯系
4.3、控制信號接口
4.4、狀態指示1)驅動器的可靠工作溫度通常在 60℃以內,電機工作溫度為80℃以內;
2)馬達停止時電流自動減一半,以減少電機和驅動器的發熱;
3)安裝驅動器時請采用豎著側面安裝,使散熱齒形成較強的空氣對流;
4)驅動器內部有溫度傳感裝置,當溫度達到45℃時開啟驅動器上的風扇。
接口功能說明
4.1、功率端口
| 名稱 | 說明 |
| N | 220V電源輸入 |
| L | |
| PE | 接地 |
| W | 電機W相繞組 |
| V | 電機V相繞組 |
| U | 電機U相繞組 |
4.2、通信端口
驅動器通過RS232接口與計算機通信實現設置方式,半流時間等參數的設定,驅動器必須采用專用通信電纜與計算機進行通信,自行接線極易造成因接線錯誤引發燒毀通信接口電路。驅動器出廠參數能滿足大部分用戶要求,專用通信電纜作為備選件供用戶選購,對有需要更改參數的用戶可與驅動器廠商聯系
4.3、控制信號接口
|
端口 定義 |
接頭針腳號 | 標記符號 | 功能 | 注釋 |
| DB15 | 1 | PU+ | 輸入信號光電隔離正端 | 供電電源,+5V,+24V均可驅動 |
| 2 | PU- | DP9= OFF, PU為步進脈沖信號 | 下降沿有效,每當脈沖由高變低時電機走一步,要求:低電平0-0.5V,高電平4-27V,脈沖寬度>2.5μS | |
| DP9=ON, PU為正相步進脈沖信號 | ||||
| 3 | DR+ | 輸入信號光電隔離正端 | 供電電源,+5V,+24V均可驅動 | |
| 4 | DR- | DP9= OFF, DR為方向控制信號 | 用于改變電機轉向。要求:低電平0-0.5V,高電平4-27V,脈沖寬度>2.5μS | |
| DP9=ON, DR為反向步進脈沖信號 | ||||
| 7 | MF+ | 輸入信號光電隔離正端 | 供電電源,+5V,+24V均可驅動 | |
| 8 | MF- | 電機釋放信號 | 有效(低電平)時關斷電機接線電流,驅動器停止工作,電機處于自由狀態 | |
| 9 | ALM+ | 驅動器故障輸出信號光電隔離正端 | 驅動器出現過流、過熱故障時,驅動器輸出故障信號,該信號有效(低電平) | |
| 10 | ALM- | 驅動器故障輸出信號光電隔離負端 | ||
| 11 | RDY+ | 驅動器準備好輸出信號光電隔離正端 | 驅動器狀態正常,準備就緒接受控制器信號時該信號有效(低電平) | |
| 12 | RDY- | 驅動器準備好輸出信號光電隔離負端 | ||
| 13 | 24PU+ | 輸入信號光電隔離正端 | +24V可驅動 | |
| 14 | 24DU+ | 輸入信號光電隔離正端 | +24V可驅動 | |
| 15 | 24MF+ | 輸入信號光電隔離正端 | +24V可驅動 |
綠色 LED 為電源指示燈,當驅動器接通電源時,該 LED 常亮;當驅動器切斷電源時,該LED 熄滅。紅色 LED 為故障指示燈,當出現故障時,該指示燈根據故障類型,以0.2秒循環閃爍設定的次數.然后以1秒間隔繼續重復以0.2秒循環閃爍設定的次數。直到故障被用戶清除,紅色 LED常滅。
故障類型對應的閃爍次數如下表:
| 閃爍次數 | 故障類型 |
| ON | 脫機 |
| 1 | 過電流 |
| 2 | 電源電壓過低 |
| 3 | 電源電壓過高 |
| 4 | 相位出錯 |
| 其它 | 硬件故障,具體類型供廠商識別 |
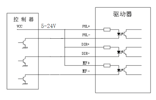
5.1、控制信號采用單端接線方式時,接線圖如下圖所示

(單端共陽接線方式(控制器集電極開路輸出)
5.2、控制信號采用差分接線方式時,接線圖如下圖所示:

(差分接線方式(控制器差分輸出)
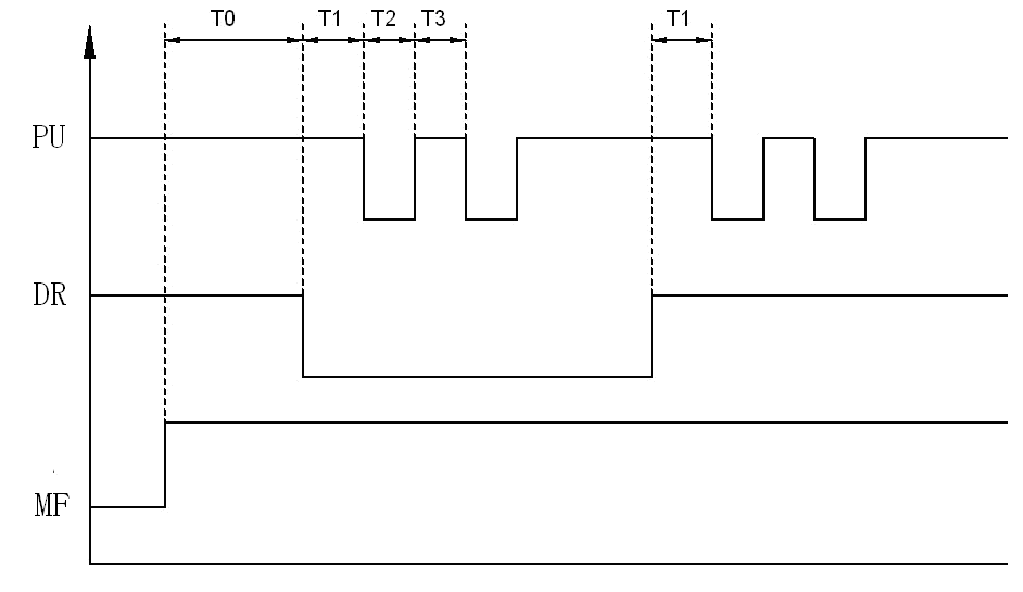
5.3、控制信號時序圖

控制信號時序圖
5.4、注釋
1)T0: MF(使能信號)應提前 DR 至少 5mS,確定為高。通常MF+和 MF-懸空。
2)T1:DR 至少提前PU 下降沿 3μs。
3)T2:脈沖寬度至少不小于 1.0μs。
4)T3:低電平寬度不小于于 1.0μs。
4、接線要求
1)為了防止驅動器受干擾,建議控制信號采用屏蔽電纜線,并且屏蔽層與地線短接,除特殊要求外,控制信號電纜的屏蔽線單端接地:屏蔽線的上位機一端接地,屏蔽線的驅動器一端懸空。同一機器內只允許在同一點接地,如果不是真實接地線,可能干擾嚴重,此時屏蔽層不接。
2)脈沖和方向信號線與電機線不允許并排包扎在一起,最好分開至少 10cm 以上,否則電機噪聲容易干擾脈沖方向信號引起電機定位不準,系統不穩定等故障。
3)如果一個電源供多臺驅動器,應在電源處采取并聯連接,不允許先到一臺再到另一臺鏈狀式連接。
4)嚴禁帶電拔插驅動器強電端子,帶電的電機停止時仍有大電流流過線圈,拔插端子 將導致巨大的瞬間感生電動勢將燒壞驅動器。
5)嚴禁將導線頭加錫后接入接線端子,否則可能因接觸電阻變大而過熱損壞端子。
6)接線線頭不能裸露在端子外,以防意外短路而損壞驅動器。
7)嚴禁一臺驅動器帶多臺電機(通過繞組串聯方式),由于采用高性能控制方式,電機參數必須具有真實性與可測性,多臺電機連接嚴重破壞電機參數真實性。運行效果變差。
電流、細分及半流與參數學習設置
驅動器采用八位撥碼開關設定細分精度、動態電流、靜止半流以及實現電機參數學習與PID整定。八位撥碼開關詳細描述如下:

6.1、電流設定
1)T0: MF(使能信號)應提前 DR 至少 5mS,確定為高。通常MF+和 MF-懸空。
2)T1:DR 至少提前PU 下降沿 3μs。
3)T2:脈沖寬度至少不小于 1.0μs。
4)T3:低電平寬度不小于于 1.0μs。
4、接線要求
1)為了防止驅動器受干擾,建議控制信號采用屏蔽電纜線,并且屏蔽層與地線短接,除特殊要求外,控制信號電纜的屏蔽線單端接地:屏蔽線的上位機一端接地,屏蔽線的驅動器一端懸空。同一機器內只允許在同一點接地,如果不是真實接地線,可能干擾嚴重,此時屏蔽層不接。
2)脈沖和方向信號線與電機線不允許并排包扎在一起,最好分開至少 10cm 以上,否則電機噪聲容易干擾脈沖方向信號引起電機定位不準,系統不穩定等故障。
3)如果一個電源供多臺驅動器,應在電源處采取并聯連接,不允許先到一臺再到另一臺鏈狀式連接。
4)嚴禁帶電拔插驅動器強電端子,帶電的電機停止時仍有大電流流過線圈,拔插端子 將導致巨大的瞬間感生電動勢將燒壞驅動器。
5)嚴禁將導線頭加錫后接入接線端子,否則可能因接觸電阻變大而過熱損壞端子。
6)接線線頭不能裸露在端子外,以防意外短路而損壞驅動器。
7)嚴禁一臺驅動器帶多臺電機(通過繞組串聯方式),由于采用高性能控制方式,電機參數必須具有真實性與可測性,多臺電機連接嚴重破壞電機參數真實性。運行效果變差。
電流、細分及半流與參數學習設置
驅動器采用八位撥碼開關設定細分精度、動態電流、靜止半流以及實現電機參數學習與PID整定。八位撥碼開關詳細描述如下:

6.1、電流設定

6.2、半流設定:
驅動動器默認,脈沖輸入信號停止后,延時0.5秒后,電流自動降為設定值的一半.
6.3、細分設定:
驅動動器默認,脈沖輸入信號停止后,延時0.5秒后,電流自動降為設定值的一半.
6.3、細分設定:

6.4、參數自整定功能
若 SW8 在 1 秒之內往返撥動一次,步進電機驅動器便可自動完成電機參數學習和PID參數整定;在新接或更新電機、電源供電電壓條件發生變化時請重新學習參數,否則,電機可能運行效果不理想或甚至不正常運行。參數學習階段,脈沖輸入及方向改變將無效。
由于拔碼開關比較小,對于手指比較粗的操作人員要在1秒鐘內拔動一次有時變得困難,因此,在設計驅動器軟件時采用最右端拔碼開關(SW8)作為學習觸發開關,方便右手操作(大部分人右手比較靈活),觸發參數學習推薦方法如下:如果SW8處于ON時將拔到OFF位置,然后用右手食指指甲碰在SW8開關上,然后輕輕晃動兩下,電動發出調諧聲音,調完后紅色LED將會亮一下,表示完成,如果未能觸發,則把晃動的力度稍大些,直至觸發成功。參數學習完成后,要恢復SW8之前的狀態.
附:東么川保修條款
為創造品牌,提高企業知名度,樹立企業形象,我公司本著“一切追求高質量,用戶滿意為宗旨”的精神,以“最優惠的價格、最周到的服務、最可靠的產品質量”的原則向您鄭重承諾:一年保修期,東么川公司對產品的原材料和工藝缺陷提供從發貨日起一年的質保,在保修期內,東么川為有缺陷的產品提供免費維修服務。
維修流程:
1.維修產品,發貨前需致電東么川伺服客戶服務人員,與客服人員提前溝通;
2.附寄書面說明書,說明返修步進電機驅動器的故障現象,故障發生時的電壓、電流和使用環境等情況,聯系人的姓名、電話號碼及郵寄地址等信息;
3.郵寄至深圳市龍華區雪崗北路清湖動力園A6棟二樓A區深圳市東么川伺服控制技術有限公司,聯系人:楊先生
若 SW8 在 1 秒之內往返撥動一次,步進電機驅動器便可自動完成電機參數學習和PID參數整定;在新接或更新電機、電源供電電壓條件發生變化時請重新學習參數,否則,電機可能運行效果不理想或甚至不正常運行。參數學習階段,脈沖輸入及方向改變將無效。
由于拔碼開關比較小,對于手指比較粗的操作人員要在1秒鐘內拔動一次有時變得困難,因此,在設計驅動器軟件時采用最右端拔碼開關(SW8)作為學習觸發開關,方便右手操作(大部分人右手比較靈活),觸發參數學習推薦方法如下:如果SW8處于ON時將拔到OFF位置,然后用右手食指指甲碰在SW8開關上,然后輕輕晃動兩下,電動發出調諧聲音,調完后紅色LED將會亮一下,表示完成,如果未能觸發,則把晃動的力度稍大些,直至觸發成功。參數學習完成后,要恢復SW8之前的狀態.
附:東么川保修條款
為創造品牌,提高企業知名度,樹立企業形象,我公司本著“一切追求高質量,用戶滿意為宗旨”的精神,以“最優惠的價格、最周到的服務、最可靠的產品質量”的原則向您鄭重承諾:一年保修期,東么川公司對產品的原材料和工藝缺陷提供從發貨日起一年的質保,在保修期內,東么川為有缺陷的產品提供免費維修服務。
維修流程:
1.維修產品,發貨前需致電東么川伺服客戶服務人員,與客服人員提前溝通;
2.附寄書面說明書,說明返修步進電機驅動器的故障現象,故障發生時的電壓、電流和使用環境等情況,聯系人的姓名、電話號碼及郵寄地址等信息;
3.郵寄至深圳市龍華區雪崗北路清湖動力園A6棟二樓A區深圳市東么川伺服控制技術有限公司,聯系人:楊先生
產品推薦:兩相步進電機
產品推薦:無刷電機
產品推薦:兩相步進驅動器
產品推薦:直流無刷驅動器




























地址 ADDRESS